Description
Download Full Product Data Sheet
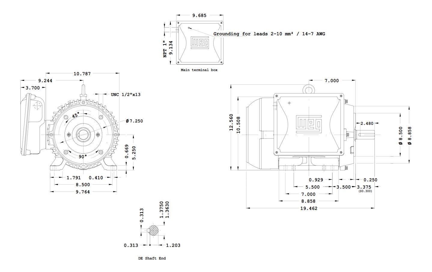
Drawings
Electric Motors
| Frame | 213/5TC |
|---|---|
| Output | 10 HP (7.5 kW) |
| Number of Poles | 2 |
| Frequency | 60 Hz |
| Rated speed | 3515 rpm |
| Slip | 2.36 % |
| Rated voltage | 208-230/460V |
| Rated current | 41.8-38.8/19.4 A |
| L. R. Amperes | 293-272/136 A |
| LRC | 7.0x(Code G) |
| No load current | 5.95-6.90/3.45 A |
| Rated torque | 14.9 ft.lb |
| Locked rotor torque | 229 % |
| Breakdown torque | 290 % |
| Locked rotor time | 14s (cold) 8s (hot) |
| Moment of inertia (J) | 0.5285 sq.ft.lb |
|---|---|
| Insulation Class | F |
| Temperature rise | 80 K |
| Service factor | 1.15 (1.00 @ 208V) |
| Duty Cycle | Cont.(S1) |
| Starting Method | Direct On Line |
| Ambient temperature | -20°C to +40°C |
| Altitude | 1000 m.a.s.l. |
| Degree of Protection | IP55 |
| Enclosure | IC411 – TEFC |
| Mounting | F-1 |
| Rotation¹ | Both (CW and CCW) |
| Noise level² | 72.0 dB(A) |
| Approx. weight³ | 167 lb |
Efficiency
| 50% | 75% | 100% |
|---|---|---|
| 82.0 | 85.5 | 86.5 |
Power factor
| 50% | 75% | 100% |
|---|---|---|
| 0.96 | 0.97 | 0.97 |
Features
| Frame Material | Cast Iron |
|---|---|
| Impregnation Method | Dip and Bake Polyester |
| Main terminal box hole | NPT 1″ |
| Terminal Block | Without |
| Shaft Locking Device | Without |
| Drain | Rubber, automatic |
| Shaft Material | SAE 1040/45 Carbon Steel |
| Painting | RAL 5009 207A (ISO 12944 – C2) |
| Grounding Lugs | Single |
| Fan Cover material | Steel |
| Tropicalized Painting | Without |
| Fan material | Plastic |
| Bearing cap | Yes- Bearing Cap |
| Drip Cover | Without |
| Overload protector (phenolic) | Without overload protector |

SHIPPING
PREMIUM DELIVERY
WAREHOUSE PICKUP



